Автор Тема: Сигма 8Ф проблема с зарядкой  (Прочитано 13899 раз)

0 Пользователей и 1 Гость просматривают эту тему.

Оффлайн Alex.svk

  • Активный форумчанин
  • Постоялец
  • **
  • Сообщений: 242
  • Похвалили: 8 раз(а)
В выключенном состоянии заряжается едва до 80%. Это видно по графику за 60 дней. Во включенном состоянии не заряжается. Напряжение на входе стабильные 9,15В. На аккумуляторе напряжение прыгает от 7,6 до 8В. Есть ли какой-то бюллетень по доработке?

PS/ С другим аккумом и зарядкой пробовал в первую очередь. Все аналогично повторяется.
« Последнее редактирование: 05/12/2023 14:34:02 от Alex.svk »
 

Оффлайн chellenger

  • Модератор раздела
  • Эксперт
  • ****
  • Сообщений: 13980
  • Похвалили: 2674 раз(а)
  • Откуда: Питер, +79095794064 Пишите в Телегу или Мах, так быстрей.
    • Сампо-Сервис
Re: Сигма 8Ф проблема с зарядкой
« Ответ #1 : 05/12/2023 14:59:19 »
Нет никаких доработок.
С уважением, Александр.
www.sampokkm.ru
 

Оффлайн svv

  • Резидент
  • Эксперт
  • ****
  • Сообщений: 3554
  • Похвалили: 1315 раз(а)
Re: Сигма 8Ф проблема с зарядкой
« Ответ #2 : 05/12/2023 15:38:47 »
А в фактори-мод чего кажет насчет тока и напряжения зарядки?
 

Оффлайн Alex.svk

  • Активный форумчанин
  • Постоялец
  • **
  • Сообщений: 242
  • Похвалили: 8 раз(а)
Re: Сигма 8Ф проблема с зарядкой
« Ответ #3 : 05/12/2023 17:03:08 »
А в фактори-мод чего кажет насчет тока и напряжения зарядки?
Не знаю как туда зайти. Да и не за чем.


Походу эта сигма убила аккум... Беру тестовый аккум, заряженный до 80%, вставляю его в подопытного и показывает что он заряжен только на 50%. Скачков напряжения нет.

проверяю подозреваемый аккум: напряжения на банках 4,25 и 3,85 соответственно.

Сори, как-то не внимательно я проверял аккум...
Не понятно что теперь с кассой делать. Поставлю новый аккум, а он снова умрет от перезаряда
 

Оффлайн chellenger

  • Модератор раздела
  • Эксперт
  • ****
  • Сообщений: 13980
  • Похвалили: 2674 раз(а)
  • Откуда: Питер, +79095794064 Пишите в Телегу или Мах, так быстрей.
    • Сампо-Сервис
Re: Сигма 8Ф проблема с зарядкой
« Ответ #4 : 05/12/2023 17:18:10 »
Микруха контроллер заряда должна выдавать 8.4v по 4.2 на банку т.е.
У вас просто в аккуме одна банка того, дуба дала...
С уважением, Александр.
www.sampokkm.ru
 

Оффлайн Alex.svk

  • Активный форумчанин
  • Постоялец
  • **
  • Сообщений: 242
  • Похвалили: 8 раз(а)
Re: Сигма 8Ф проблема с зарядкой
« Ответ #5 : 05/12/2023 17:49:12 »
Микруха контроллер заряда должна выдавать 8.4v по 4.2 на банку т.е.
У вас просто в аккуме одна банка того, дуба дала...
Я ж говорю что проблема с самой сигмой.
Беру свежий аккум с витринной кассы, заряжаю его в витринной кассе до 100%. (~8,37В) Вставляю его в проблемную, и заряд отображается 66%. Хотя напряжение сейчас на нем 8,3В. ЗУ не подключено.
 

Оффлайн chellenger

  • Модератор раздела
  • Эксперт
  • ****
  • Сообщений: 13980
  • Похвалили: 2674 раз(а)
  • Откуда: Питер, +79095794064 Пишите в Телегу или Мах, так быстрей.
    • Сампо-Сервис
Re: Сигма 8Ф проблема с зарядкой
« Ответ #6 : 05/12/2023 18:08:17 »
Alex.svk, Ну значит нужно Сигму ковырять.
Проверить сам контроллер и токоизмерительные резисторы R928 и  R933  -визуально проверить, могли подгореть и изменить сопротивление, должны быть 0.01 ома
С уважением, Александр.
www.sampokkm.ru
 

Оффлайн Alex.svk

  • Активный форумчанин
  • Постоялец
  • **
  • Сообщений: 242
  • Похвалили: 8 раз(а)
Re: Сигма 8Ф проблема с зарядкой
« Ответ #7 : 06/12/2023 14:14:17 »
Alex.svk, Ну значит нужно Сигму ковырять.
Проверить сам контроллер и токоизмерительные резисторы R928 и  R933  -визуально проверить, могли подгореть и изменить сопротивление, должны быть 0.01 ома
По идее она должна работать без аккума. Но при включении показывает заряд ~60% (рабочая с витрины показывает 100) и при попытке напечатать чек она вырубается. так что не в зарядке дело.
 

Оффлайн Zlodeyz

  • Наш человек
  • Постоялец
  • ***
  • Сообщений: 152
  • Похвалили: 35 раз(а)
Re: Сигма 8Ф проблема с зарядкой
« Ответ #8 : 13/02/2024 14:00:09 »
Микруха контроллер заряда должна выдавать 8.4v по 4.2 на банку т.е.
У вас просто в аккуме одна банка того, дуба дала...
Я ж говорю что проблема с самой сигмой.
Беру свежий аккум с витринной кассы, заряжаю его в витринной кассе до 100%. (~8,37В) Вставляю его в проблемную, и заряд отображается 66%. Хотя напряжение сейчас на нем 8,3В. ЗУ не подключено.

Таже проблема  заряжается до 66 %. На аккумуляторе 8,4 вольта.  Может есть  методика калибровки АКБ ?
 

Оффлайн Alex.svk

  • Активный форумчанин
  • Постоялец
  • **
  • Сообщений: 242
  • Похвалили: 8 раз(а)
Re: Сигма 8Ф проблема с зарядкой
« Ответ #9 : 13/02/2024 15:07:20 »
Вроде проблема в резистивном делителе напряжения в схеме зарядки
 

Оффлайн Zlodeyz

  • Наш человек
  • Постоялец
  • ***
  • Сообщений: 152
  • Похвалили: 35 раз(а)
Re: Сигма 8Ф проблема с зарядкой
« Ответ #10 : 13/02/2024 17:19:25 »
Вроде проблема в резистивном делителе напряжения в схеме зарядки
Если есть более подробная инфа поделитесь. 
 

Оффлайн Zlodeyz

  • Наш человек
  • Постоялец
  • ***
  • Сообщений: 152
  • Похвалили: 35 раз(а)
Re: Сигма 8Ф проблема с зарядкой
« Ответ #11 : 18/03/2024 20:40:21 »
Замена контроллера зарядки (BQ24133) решила проблему.
 

Оффлайн Megavolt

  • Наш человек
  • Новичок
  • ***
  • Сообщений: 7
  • Похвалили: 4 раз(а)
  • Откуда: Череповец
Re: Сигма 8Ф проблема с зарядкой
« Ответ #12 : 22/04/2024 15:31:50 »
Подскажите, пожалуйста, под каким экраном этот контроллер находится, со стороны разъемов или с нижней? Не охота все отпаивать )  В альбоме схем прикольнулись - обе стороны изобразили как 1 сторона...


 

Оффлайн Megavolt

  • Наш человек
  • Новичок
  • ***
  • Сообщений: 7
  • Похвалили: 4 раз(а)
  • Откуда: Череповец
Re: Сигма 8Ф проблема с зарядкой
« Ответ #13 : 22/04/2024 16:12:36 »
Подскажите, пожалуйста, под каким экраном этот контроллер находится, со стороны разъемов или с нижней? Не охота все отпаивать )  В альбоме схем прикольнулись - обе стороны изобразили как 1 сторона...




Сам себе отвечу, может еще кому пригодится - со стороны разъемов находится, под 5 угольным экраном. Задолбался его снимать, зато угадал с 1ой попытки, было бы обидно, если снизу )
 
Это сообщение считают полезным: Master X, FlyNet, KrasCEP, Alex-x

Оффлайн FlyNet

  • Активный форумчанин
  • Постоялец
  • **
  • Сообщений: 167
  • Похвалили: 12 раз(а)
Re: Сигма 8Ф проблема с зарядкой
« Ответ #14 : 22/04/2024 21:14:00 »
Megavolt, тоже этот контроллер виноват оказался?
 

Оффлайн vladnsk

  • Новичок
  • Сообщений: 6
Re: Сигма 8Ф проблема с зарядкой
« Ответ #15 : 26/04/2024 14:42:11 »
Похожая проблема. Всегда показывает 1% заряда.
Но аккум при этом заряжается. Касса не включается с подключенным внешним питанием. Отключаешь адаптер от кассы, включаешь кассу, касса запускается, подключаешь адаптер и работаешь.
Но в течении дня может самопроизвольно выключиться. Для включения нужно повторить процедуру с отключением адаптера.
Сигму пока не разбирали, написали обращение в техподдержку, 2 дня пока нет ответа.
 

Оффлайн Zlodeyz

  • Наш человек
  • Постоялец
  • ***
  • Сообщений: 152
  • Похвалили: 35 раз(а)
Re: Сигма 8Ф проблема с зарядкой
« Ответ #16 : 09/07/2024 17:15:33 »
Похожая проблема. Всегда показывает 1% заряда.
Но аккум при этом заряжается. Касса не включается с подключенным внешним питанием. Отключаешь адаптер от кассы, включаешь кассу, касса запускается, подключаешь адаптер и работаешь.
Но в течении дня может самопроизвольно выключиться. Для включения нужно повторить процедуру с отключением адаптера.
Сигму пока не разбирали, написали обращение в техподдержку, 2 дня пока нет ответа.
Нашли не исправность ?
 

Оффлайн Niro

  • Наш человек
  • Эксперт
  • ***
  • Сообщений: 2084
  • Похвалили: 335 раз(а)
  • Откуда: Липецк
Re: Сигма 8Ф проблема с зарядкой
« Ответ #17 : 18/07/2024 17:55:02 »
ККТ АТОЛ Sigma 8Ф выключается во время работы. После отключения и подключения зарядного устройства на экране появляется сообщение с картинкой: Error! please plug out charger! Аккумулятор при этом заряжается.
 

Оффлайн Kackaqep

  • Новичок
  • Сообщений: 15
  • Похвалили: 10 раз(а)
Re: Сигма 8Ф проблема с зарядкой
« Ответ #18 : 25/02/2025 21:13:26 »
Похожая проблема. Всегда показывает 1% заряда.
Но аккум при этом заряжается. Касса не включается с подключенным внешним питанием. Отключаешь адаптер от кассы, включаешь кассу, касса запускается, подключаешь адаптер и работаешь.
Но в течении дня может самопроизвольно выключиться. Для включения нужно повторить процедуру с отключением адаптера.
Сигму пока не разбирали, написали обращение в техподдержку, 2 дня пока нет ответа.
Приветствую коллег.
Была такая же проблема. Видно что заряд идёт правильно а аккум показывает 1%. Сразу заподозрил контроль напряжения батареи. По схеме это делитель R934 и R935.

Действительно при напряжении на аккуме 8.3В на делителе было 3.57В а должна быть половина аккума.
Виновен оказался кондёр С950, утечка. Заменил как на фото и адьюс!
Всем успешных ремонтов!
 
Это сообщение считают полезным: Revers_M, windos, Zlodeyz, KrasCEP, Market-Master, АМЕ_Worker, heysi-orion, K-Man, Fluffykrsk, Annihilant

Оффлайн windos

  • Активный форумчанин
  • Старожил
  • **
  • Сообщений: 342
  • Похвалили: 11 раз(а)
  • Откуда: ст.Каневская,Краснодарский край
Re: Сигма 8Ф проблема с зарядкой
« Ответ #19 : 06/03/2025 14:02:18 »
Добрый день! Как экран снимали? Чем грели? Пробовал феном- не..Паяльник все не прогревает..В итоге после попытки снять экран оставил как есть.Включаю- заряд почти полный..А до этого 1 % показывал.Видимо после прогрева неисправный элемент восстановился.
 

Оффлайн Zlodeyz

  • Наш человек
  • Постоялец
  • ***
  • Сообщений: 152
  • Похвалили: 35 раз(а)
Re: Сигма 8Ф проблема с зарядкой
« Ответ #20 : 14/03/2025 15:47:14 »
Добрый день! Как экран снимали? Чем грели? Пробовал феном- не..Паяльник все не прогревает..В итоге после попытки снять экран оставил как есть.Включаю- заряд почти полный..А до этого 1 % показывал.Видимо после прогрева неисправный элемент восстановился.
Я снимал сплавом Розе. Насчет того что заработало, это не надолго. Я менял контроллер заряда, и после этого все начало заряжаться. Думаю но вот в нем и проблема была, через пару дней касса вернулась.
« Последнее редактирование: 14/03/2025 18:24:46 от Zlodeyz »
 

Оффлайн Market-Master

  • Наш человек
  • Эксперт
  • ***
  • Сообщений: 2226
  • Похвалили: 317 раз(а)
  • ФП,ЭКЛЗ,ФН-ДАЛЬШЕ ЧТО?!!!
  • Откуда: Липецк
Re: Сигма 8Ф проблема с зарядкой
« Ответ #21 : 21/03/2025 16:22:42 »
Добрый день! Как экран снимали? Чем грели? Пробовал феном- не..Паяльник все не прогревает..В итоге после попытки снять экран оставил как есть.Включаю- заряд почти полный..А до этого 1 % показывал.Видимо после прогрева неисправный элемент восстановился.
Сегодня снимал экран,делал так:Брал медную оплетку,пропитывал ее умерено сплавом розе и подсовывал в шель между экраном и платой,затем греем паяльником(ставил 390-400 градусов,у меня паяльник с цифровой регулировкой) оплетку,чуть поднимаем экран(без фанатизма),двигаемся дальше.И так,пока все не снимем.Это долго,порядка 40-50 минут.Главное аккуратность и терпение.Затем заменил емкость,как в посте 18.При напряжении на батарее 8,4,на делителе было 3,9.Заменил емкость 0,1,на делителе стало четко 4,2.Емкость подтекала.Началось все тоже с того,что показывался уровень заряда батареи 1%,хотя заряд шел.После ремонта все стало как должно быть.Процентный уровень пошел вверх,пока не стало 100%.
 
Это сообщение считают полезным: FlyNet, wiros

Оффлайн FlyNet

  • Активный форумчанин
  • Постоялец
  • **
  • Сообщений: 167
  • Похвалили: 12 раз(а)
Re: Сигма 8Ф проблема с зарядкой
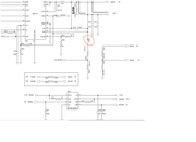
« Ответ #22 : 28/05/2025 23:28:40 »
Коллеги помогите, пожалуйста идентифицировать вот этот элемент( обведен красным) на электрической схеме Сигмы-8Ф, под обозначением SP900.  На самой плате Сигмы тоже не могу его найти. Что это? И где его искать на плате?

 

Оффлайн Киреев Петр

  • Наш человек
  • Постоялец
  • ***
  • Сообщений: 123
  • Похвалили: 36 раз(а)
  • Откуда: Липецк
Re: Сигма 8Ф проблема с зарядкой
« Ответ #23 : 29/05/2025 12:33:35 »
Коллеги помогите, пожалуйста идентифицировать вот этот элемент( обведен красным) на электрической схеме Сигмы-8Ф, под обозначением SP900.  На самой плате Сигмы тоже не могу его найти. Что это? И где его искать на плате?
Похоже это контрольная точка (Sensor Point). На плате должна быть в виде "пятяка"
 
Это сообщение считают полезным: FlyNet

Оффлайн Олег1950

  • Наш человек
  • Эксперт
  • ***
  • Сообщений: 1256
  • Похвалили: 172 раз(а)
  • Откуда: Питер
Re: Сигма 8Ф проблема с зарядкой
« Ответ #24 : 01/07/2025 16:49:24 »
Вместо заряда показывает снижение % заряда.  BQ24133 под замену.
Заодно расписал позиционное расположение элементов на печатке согласно принципиальной схеме.
 
Это сообщение считают полезным: jindos, FlyNet, KrasCEP, Market-Master, formanchukds, АМЕ_Worker, heysi-orion, crunch, K-Man, kassadm, OleGan

 

Sitemap 1 2 3 4 5 6 7 8 9 10 11 12 13 14 15 16 17 18 19 20 21 22 23