Автор Тема: Небольшая разминка для тяпницы.  (Прочитано 1067128 раз)

0 Пользователей и 4 Гостей просматривают эту тему.

Оффлайн SkaT

  • Наш человек
  • Эксперт
  • ***
  • Сообщений: 5302
  • Похвалили: 913 раз(а)
Re: Небольшая разминка для тяпницы.
« Ответ #800 : 12/02/2015 23:12:05 »
... Микра печатает одну строку пикселей ТРЕМЯ частями, деля её именно так.
Это как? Насколько я понимаю, у термоголовки нет адрессации пикселов, строка вся разом приходит в буфер, защелкивается в нем и прожигаются все пикселы сразу, т.е. которые единицы. Или че там, может нули дают прожиг? Если прожигаются частями, то это свойство самой головы, а не конкретно микры.
В Микрушках, "одна строка" делится на три части, не печатаемые в данной "части" пиксели забиваются "пустыми". В результате, "одна строка" загоняется в голову три раза, только "не нужные" в данный момент "части" стираются.
(вроде написал одно и то-же разными словами)...


Я когда-то давно пытался делать на голове ТД4032 и обвязке от Микрушки "сканер", который должен был печатать в "реал-тайме" на ленте состояние сканируемого входа... :)
Столкнулся с тем, что единичные короткие импульсы я на ленте вижу, а вот "пачку импульсов" - сканер не видит, идет чистая лента. После долгих мучений выяснил, что не в сканере дело а в голове, пиксели жрут столько, что питание проседает, не хватало даже подключенного на прямую к голове аккумулятора (родного Микрушного). Вот тогда и начал разбираться, почему Микрушка чеки печатает, а я несколько (пол строки) пикселей не могу...
Вот и выяснил, что Микра печатает строку частями... может и другие ККМ то-же, не знаю.
 

Оффлайн SkaT

  • Наш человек
  • Эксперт
  • ***
  • Сообщений: 5302
  • Похвалили: 913 раз(а)
Re: Небольшая разминка для тяпницы.
« Ответ #801 : 12/02/2015 23:15:38 »
...
 Вал отметаем - края четкие . По схеме смотрим - строб общий .
 Ну единственное такую хохму можно сделать , процарапав гвоздем голову
Не, не в голове дело, написано-же, принтер меняли.
Дело либо в транзисторах управления башкой либо в микросхеме, с которой на голову сигналы идут...
Есть ещё генератор импульса разрешения печати в его обвязке то-же такие чудеса бывают, но из-за него обычно вся строка тускло печатается...
« Последнее редактирование: 12/02/2015 23:40:21 от SkaT »
 

Оффлайн Slava

  • Резидент
  • Эксперт
  • ****
  • Сообщений: 4750
  • Похвалили: 1498 раз(а)
Re: Небольшая разминка для тяпницы.
« Ответ #802 : 12/02/2015 23:43:26 »
 
  Вот упустил , что середина печатается бледно . На фото действительно не видно .
 Ну тогда 555 или обвязка . Согласен со Skat
 

Оффлайн Юр

  • Резидент
  • Эксперт
  • ****
  • Сообщений: 2067
  • Похвалили: 103 раз(а)
Re: Небольшая разминка для тяпницы.
« Ответ #803 : 13/02/2015 00:01:50 »
В Микрушках, "одна строка" делится на три части, не печатаемые в данной "части" пиксели забиваются "пустыми". В результате, "одна строка" загоняется в голову три раза, только "не нужные" в данный момент "части" стираются.
(вроде написал одно и то-же разными словами)...
Нет, объяснил более чем доступно. Одно осталось не полностью понятно, есть только предположение - почему именно середину оставляют на потом?  Может, чтобы соседние пикселы следующей трети успели охладиться?
Есть только  миг
 

Оффлайн KrasCEP

  • Резидент
  • Эксперт
  • ****
  • Сообщений: 2125
  • Похвалили: 479 раз(а)
  • та ко ва се ля ви
  • Откуда: Урал
Re: Небольшая разминка для тяпницы.
« Ответ #804 : 13/02/2015 13:12:09 »

  Вот упустил , что середина печатается бледно . На фото действительно не видно .
 Ну тогда 555 или обвязка . Согласен со Skat


даю подсказку: проблема была в плате, ремонт сделан дома на коленках минут за 20-30 (ну тут канешь тупо свезло), ни одного элемента не пришлось заменить, паяльник даже не доставал...
 

Оффлайн zax

  • Модератор раздела
  • Эксперт
  • ****
  • Сообщений: 2441
  • Похвалили: 516 раз(а)
Re: Небольшая разминка для тяпницы.
« Ответ #805 : 13/02/2015 13:24:37 »
Это уже начинается угадай мелодию..... последний мой ответ .....  грязь в разъеме термоголовки на СП .
 

Оффлайн cesav2007

  • Наш человек
  • Ветеран
  • ***
  • Сообщений: 939
  • Похвалили: 49 раз(а)
  • Откуда: СКФО
Re: Небольшая разминка для тяпницы.
« Ответ #806 : 13/02/2015 13:59:36 »
Ну или плата залита.
Профессиональный монтаж СКС. Цены низкие!
 

Оффлайн KrasCEP

  • Резидент
  • Эксперт
  • ****
  • Сообщений: 2125
  • Похвалили: 479 раз(а)
  • та ко ва се ля ви
  • Откуда: Урал
Re: Небольшая разминка для тяпницы.
« Ответ #807 : 13/02/2015 14:15:26 »
вот так было, почистил ей "ноги", ну и процик тож достал 80С32 в PLCC корпусе, но у него контакты были в поряде
 

Оффлайн svv

  • Резидент
  • Эксперт
  • ****
  • Сообщений: 3535
  • Похвалили: 1306 раз(а)
Re: Небольшая разминка для тяпницы.
« Ответ #808 : 13/02/2015 15:21:11 »
 а какая была интрига....
 

Оффлайн zax

  • Модератор раздела
  • Эксперт
  • ****
  • Сообщений: 2441
  • Похвалили: 516 раз(а)
Re: Небольшая разминка для тяпницы.
« Ответ #809 : 13/02/2015 15:47:16 »
а какая была интрига....
Тоже как то не въехал.... ну да ладно..... на этой неделе был у меня один  примечательный пациент на операционном столе, Меркурий 180К с диагнозом ошибка 017 (при включении) "Дата в ЭКЛЗ меньше чем в ФП".....предлагаю покумекать,как это практически ошибка может появиться,по началу сам такого не мог представить ,что хотел сказать Инкотекс этой ошибкой.   
 

Оффлайн SkaT

  • Наш человек
  • Эксперт
  • ***
  • Сообщений: 5302
  • Похвалили: 913 раз(а)
Re: Небольшая разминка для тяпницы.
« Ответ #810 : 13/02/2015 18:25:20 »
вот так было, почистил ей "ноги", ну и процик тож достал 80С32 в PLCC корпусе, но у него контакты были в поряде
Это как "удачно" должна была измениться прошивка, из-за плохого контакта, что-бы контрольная сумма совпала...
Больше склонен к наличии микро-трещины в транзюке или кондёре, при тискании платы контакт восстановился, скорее всего временно...
 

Оффлайн ewgen

  • Наш человек
  • Эксперт
  • ***
  • Сообщений: 3516
  • Похвалили: 901 раз(а)
  • Он умер
  • Откуда: Планета "The Мля"
Re: Небольшая разминка для тяпницы.
« Ответ #811 : 13/02/2015 19:01:35 »
zax С мерком-180 как раз ничего удивительного, не раз было после блокировки ЭКЛЗ по сроку: бьют чек 31-го, к примеру, затем пытаются закрыть смену 1-го. ЭКЛЗ не хавает, естественно, зато в ФП гордо пишется зет с нулевой выручкой и текущей датой- вот и расхождение.
 

Оффлайн KrasCEP

  • Резидент
  • Эксперт
  • ****
  • Сообщений: 2125
  • Похвалили: 479 раз(а)
  • та ко ва се ля ви
  • Откуда: Урал
Re: Небольшая разминка для тяпницы.
« Ответ #812 : 13/02/2015 19:03:00 »
Посмотрим, время покажет...., но по плате как следует постучал после сборки)
 

Оффлайн zax

  • Модератор раздела
  • Эксперт
  • ****
  • Сообщений: 2441
  • Похвалили: 516 раз(а)
Re: Небольшая разминка для тяпницы.
« Ответ #813 : 13/02/2015 21:12:19 »
zax С мерком-180 как раз ничего удивительного, не раз было после блокировки ЭКЛЗ по сроку: бьют чек 31-го, к примеру, затем пытаются закрыть смену 1-го. ЭКЛЗ не хавает, естественно, зато в ФП гордо пишется зет с нулевой выручкой и текущей датой- вот и расхождение.
Всё удивительно.....блокировка по времени ЭКЛЗ приводит к расхождению смен ,это совсем другая ошибка..... я веду речь об ошибке 17 "Дата в ЭКЛЗ меньше чем в ФП" ,то есть в ЭКЛЗ записалась дата меньше чем в ФП..... возможно ли это в практическом исполнении???
 

Оффлайн Slava

  • Резидент
  • Эксперт
  • ****
  • Сообщений: 4750
  • Похвалили: 1498 раз(а)
Re: Небольшая разминка для тяпницы.
« Ответ #814 : 13/02/2015 23:42:10 »
вот так было, почистил ей "ноги", ну и процик тож достал 80С32 в PLCC корпусе, но у него контакты были в поряде

 
Это из анекдотов про Вовочку - " Догадайся по яйцам " . Залитая плата не подается логическому
анализу и может вести себя по любому .
Хотя случай полезный для практики ).
 

Оффлайн Юр

  • Резидент
  • Эксперт
  • ****
  • Сообщений: 2067
  • Похвалили: 103 раз(а)
Re: Небольшая разминка для тяпницы.
« Ответ #815 : 14/02/2015 00:46:28 »
вот так было, почистил ей "ноги", ну и процик тож достал 80С32 в PLCC корпусе, но у него контакты были в поряде
Ну а как ты сам себе объясняешь зависимость такой печати от контактов ПЗУ? Сам же раньше соглашался с причиной в питалове? Согласен со Skat-ом, дело вряд ли в ПЗУ.
Есть только  миг
 

Оффлайн cesav2007

  • Наш человек
  • Ветеран
  • ***
  • Сообщений: 939
  • Похвалили: 49 раз(а)
  • Откуда: СКФО
Re: Небольшая разминка для тяпницы.
« Ответ #816 : 14/02/2015 13:28:46 »
Что- то пошатал, проц и ПЗУ передернул... Наверняка через какое-то время деффект повторится.
Профессиональный монтаж СКС. Цены низкие!
 

Оффлайн svv

  • Резидент
  • Эксперт
  • ****
  • Сообщений: 3535
  • Похвалили: 1306 раз(а)
Re: Небольшая разминка для тяпницы.
« Ответ #817 : 17/02/2015 15:10:54 »
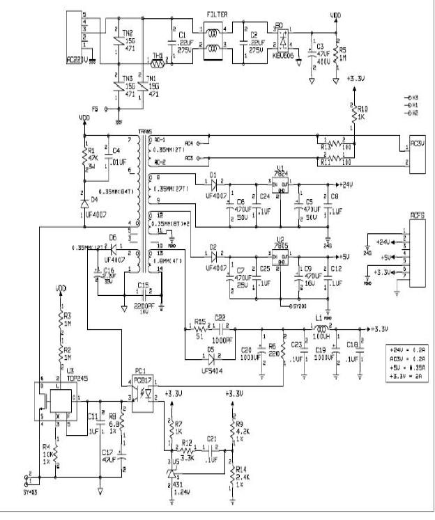
  http://saveimg.ru/show-image.php?id=ce6db87bf01550335a9dbc969ca51bfc
 бп после ремонта (380 по входу) поменяны U3, U5, PC1,U2, R8,C17 и даже С15 :o , блок в конце концов запустился, но на выходе +3.3в внизу схемы напруга в два раза выше нормы. 5 и 24 нормально :) . Догадайтесь где порылась собака.
« Последнее редактирование: 17/02/2015 15:40:15 от svv »
 

Оффлайн Two_byte

  • Резидент
  • Эксперт
  • ****
  • Сообщений: 1773
  • Похвалили: 300 раз(а)
  • Не впихуйте невпихуемое!
  • Откуда: Ногинск
Re: Небольшая разминка для тяпницы.
« Ответ #818 : 17/02/2015 17:41:36 »
Обратную связь смотри, tl431 и ее обвязку до оптрона.
5в. и 24в. идут через стабилизаторы, а 3.3в. отслеживается обратной связью.
Я бы наоборот, повесил бы ОС на самое большое напряжение. В %-ном отношении напруги меньше бы гуляли.
 

Оффлайн svv

  • Резидент
  • Эксперт
  • ****
  • Сообщений: 3535
  • Похвалили: 1306 раз(а)
Re: Небольшая разминка для тяпницы.
« Ответ #819 : 18/02/2015 09:09:14 »
tl431 стоит новая с обвязкой тоже все в порядке. В качестве подсказки - гляньте на номиналы делителя и датащит 431й
 

Оффлайн Two_byte

  • Резидент
  • Эксперт
  • ****
  • Сообщений: 1773
  • Похвалили: 300 раз(а)
  • Не впихуйте невпихуемое!
  • Откуда: Ногинск
Re: Небольшая разминка для тяпницы.
« Ответ #820 : 18/02/2015 10:16:00 »
То, что там, рядом с ней написано про 1 с чем то вольт..... Не придал этому значения. Мало ли что на заборе напишут. Знаю точно, что у нее управляющее 2.5 вольт. Таки я правильно указал на причину?
 

Оффлайн svv

  • Резидент
  • Эксперт
  • ****
  • Сообщений: 3535
  • Похвалили: 1306 раз(а)
Re: Небольшая разминка для тяпницы.
« Ответ #821 : 18/02/2015 11:30:42 »
таки да :) , ну мож еще кто догадается. Вечером открою великую тайну :)
 

Оффлайн Two_byte

  • Резидент
  • Эксперт
  • ****
  • Сообщений: 1773
  • Похвалили: 300 раз(а)
  • Не впихуйте невпихуемое!
  • Откуда: Ногинск
Re: Небольшая разминка для тяпницы.
« Ответ #822 : 18/02/2015 12:02:43 »
Подождем до вечера.
 

Оффлайн Рязанский

  • Резидент
  • Эксперт
  • ****
  • Сообщений: 1044
  • Похвалили: 341 раз(а)
  • Димка
  • Откуда: Рязань
    • Сайт поддержки ДК
Re: Небольшая разминка для тяпницы.
« Ответ #823 : 18/02/2015 12:35:12 »
tl431 Vref= 2.5V
tlv431 Vref= 1.25V
в схеме, похоже, должна быть вторая, а поставили первую.
А у нас в Рязани  - грибы с глазами,
Их едят, а они глядят.
Рязанский
 

Оффлайн svv

  • Резидент
  • Эксперт
  • ****
  • Сообщений: 3535
  • Похвалили: 1306 раз(а)
Re: Небольшая разминка для тяпницы.
« Ответ #824 : 18/02/2015 12:46:49 »
Да та и есть. Тоже привык, что 431 на 2.5в и не глядя махнул, вобщем не все 431 одинаково полезны :) , маленькая буковка v в маркировке меняет все дело. Воткнул - блок запустился, 5в есть, хотел уже прицепить нагрузку, но опыт  и врожденное чуйство опасности не пропьешь. Чуть проц не поджарил.
 

Оффлайн Two_byte

  • Резидент
  • Эксперт
  • ****
  • Сообщений: 1773
  • Похвалили: 300 раз(а)
  • Не впихуйте невпихуемое!
  • Откуда: Ногинск
Re: Небольшая разминка для тяпницы.
« Ответ #825 : 18/02/2015 14:06:51 »
Вот блин, даже не знал про такую разницу! Век живи - век учись.
ДШ глянул - и правда, 1.24в.
 

Оффлайн vvm

  • Наш человек
  • Эксперт
  • ***
  • Сообщений: 1975
  • Похвалили: 295 раз(а)
  • Откуда: Владимир
    • Форум vvm
Re: Небольшая разминка для тяпницы.
« Ответ #826 : 31/03/2015 22:43:03 »
Феликс-РК. Горят зеленый и красный светодиоды. Нет протяжки ленты. Где собака порылась ? ))
 

Оффлайн vvm

  • Наш человек
  • Эксперт
  • ***
  • Сообщений: 1975
  • Похвалили: 295 раз(а)
  • Откуда: Владимир
    • Форум vvm
Re: Небольшая разминка для тяпницы.
« Ответ #827 : 31/03/2015 23:11:37 »
Ещё вдогонку - как исправный Штрих-ФР-К загнать в состояние, когда горят зеленый и красный светодиоды ? ))
При этом ФР находится в режиме 4 - закрытая смена, все датчики показывают норму. И сам ФР совершенно рабочий.
Сей фортель можно наблюдать - если с помощью теста драйвера ФР задать ФРу определённый режим работы ))
 

Оффлайн KrasCEP

  • Резидент
  • Эксперт
  • ****
  • Сообщений: 2125
  • Похвалили: 479 раз(а)
  • та ко ва се ля ви
  • Откуда: Урал
Re: Небольшая разминка для тяпницы.
« Ответ #828 : 31/03/2015 23:37:10 »
ну с Феликсом все оказалось просто) ;) .
а про Штрих можно предположить что где-то в таблицах "кривизна", ну например - задать не допустимое значение в каком-либо поле какой-либо таблицы (только пока не соображу возможно ли так его "обмануть", нет возможности поэкспериментировать)
 

Оффлайн vvm

  • Наш человек
  • Эксперт
  • ***
  • Сообщений: 1975
  • Похвалили: 295 раз(а)
  • Откуда: Владимир
    • Форум vvm
Re: Небольшая разминка для тяпницы.
« Ответ #829 : 31/03/2015 23:40:56 »
В таблицах всё хорошо. ОЗУ исправно. Ещё варианты ?
 

Оффлайн vvm

  • Наш человек
  • Эксперт
  • ***
  • Сообщений: 1975
  • Похвалили: 295 раз(а)
  • Откуда: Владимир
    • Форум vvm
Re: Небольшая разминка для тяпницы.
« Ответ #830 : 31/03/2015 23:43:22 »
Ответ совсем рядом ))) Но он есть не во всех версиях теста драйвера ФР )
 

Оффлайн KrasCEP

  • Резидент
  • Эксперт
  • ****
  • Сообщений: 2125
  • Похвалили: 479 раз(а)
  • та ко ва се ля ви
  • Откуда: Урал
Re: Небольшая разминка для тяпницы.
« Ответ #831 : 31/03/2015 23:44:59 »
... с помощью теста драйвера ФР задать ФРу определённый режим работы ))


если честно - я эту фразу вообще не понял, или туплю чего-то...
хоть написал бы какой версией драйвера это можно сделать...
 

Оффлайн vvm

  • Наш человек
  • Эксперт
  • ***
  • Сообщений: 1975
  • Похвалили: 295 раз(а)
  • Откуда: Владимир
    • Форум vvm
Re: Небольшая разминка для тяпницы.
« Ответ #832 : 31/03/2015 23:45:34 »
Насчет Феликса - разъем от платы индикации воткнули раком в СП ))
« Последнее редактирование: 01/04/2015 10:47:10 от vvm »
 

Оффлайн vvm

  • Наш человек
  • Эксперт
  • ***
  • Сообщений: 1975
  • Похвалили: 295 раз(а)
  • Откуда: Владимир
    • Форум vvm
Re: Небольшая разминка для тяпницы.
« Ответ #833 : 31/03/2015 23:48:15 »
Ну неужели этот прикол на Штрих-ФР-К никто не видел ?
 

Оффлайн vvm

  • Наш человек
  • Эксперт
  • ***
  • Сообщений: 1975
  • Похвалили: 295 раз(а)
  • Откуда: Владимир
    • Форум vvm
Re: Небольшая разминка для тяпницы.
« Ответ #834 : 01/04/2015 00:11:16 »
Ну и до кучи. У нас сегодня проц i3 в ноуте выдавал, что у него -15 градусов цельсия и работал только на частоте 1ГГЦ.
Как и чем лечить ? )
 

Оффлайн KrasCEP

  • Резидент
  • Эксперт
  • ****
  • Сообщений: 2125
  • Похвалили: 479 раз(а)
  • та ко ва се ля ви
  • Откуда: Урал
Re: Небольшая разминка для тяпницы.
« Ответ #835 : 01/04/2015 00:19:59 »
в топку его, разогреть там как следует (до рабочей температуры)), а если по теме - можно попробовать BIOS обновить.
 

Оффлайн Юр

  • Резидент
  • Эксперт
  • ****
  • Сообщений: 2067
  • Похвалили: 103 раз(а)
Re: Небольшая разминка для тяпницы.
« Ответ #836 : 01/04/2015 00:24:40 »
Ну и до кучи. У нас сегодня проц i3 в ноуте выдавал, что у него -15 градусов цельсия и работал только на частоте 1ГГЦ.
Как и чем лечить ? )
Вынуть из морозилки.
Есть только  миг
 

Оффлайн drfaust

  • Резидент
  • Эксперт
  • ****
  • Сообщений: 5277
  • Похвалили: 575 раз(а)
  • Я не Шариков, просто судьба располосовала мой лоб.
  • Откуда: РФ, Лангепас, MSK+2 (UTC+5)
    • faust.dlinkddns.com
Re: Небольшая разминка для тяпницы.
« Ответ #837 : 01/04/2015 01:11:32 »
Ну и до кучи. У нас сегодня проц i3 в ноуте выдавал, что у него -15 градусов цельсия и работал только на частоте 1ГГЦ.
Как и чем лечить ? )
Вопрос 1: Кто сказал, что там -15С?
Вопрос 2: Этот кто-то, что утверждал, что -15С на какие датчики смотрел?
Вопрос 3: Проц нагружался "прогами-грелками" в то время как этот кто-то смотрел частоты и температуры?
Вопрос 4: А слабо побольше инфы дать - или клещи применять к вашему, Вадим, языку?
Вопрос 5: Сколько на форуме ясновидящих и телепатов?
Не кассами одними жив ЦТО ;-)
 

Оффлайн drfaust

  • Резидент
  • Эксперт
  • ****
  • Сообщений: 5277
  • Похвалили: 575 раз(а)
  • Я не Шариков, просто судьба располосовала мой лоб.
  • Откуда: РФ, Лангепас, MSK+2 (UTC+5)
    • faust.dlinkddns.com
Re: Небольшая разминка для тяпницы.
« Ответ #838 : 01/04/2015 01:13:23 »
...Вынуть из морозилки.
Пусть там будет - меньше шансов на отвал остальных чипов из-за перегрева  ;D  ,только вазелином всё обмазать, шоб конденсата н не было.
Не кассами одними жив ЦТО ;-)
 

Оффлайн drfaust

  • Резидент
  • Эксперт
  • ****
  • Сообщений: 5277
  • Похвалили: 575 раз(а)
  • Я не Шариков, просто судьба располосовала мой лоб.
  • Откуда: РФ, Лангепас, MSK+2 (UTC+5)
    • faust.dlinkddns.com
Re: Небольшая разминка для тяпницы.
« Ответ #839 : 01/04/2015 01:14:43 »
Ну неужели этот прикол на Штрих-ФР-К никто не видел ?
Тест печати или скорости печати => перегрев башки.
Не кассами одними жив ЦТО ;-)
 

Оффлайн vvm

  • Наш человек
  • Эксперт
  • ***
  • Сообщений: 1975
  • Похвалили: 295 раз(а)
  • Откуда: Владимир
    • Форум vvm
Re: Небольшая разминка для тяпницы.
« Ответ #840 : 01/04/2015 02:20:00 »
Ну неужели этот прикол на Штрих-ФР-К никто не видел ?
Тест печати или скорости печати => перегрев башки.

Неа )))
 

Оффлайн vvm

  • Наш человек
  • Эксперт
  • ***
  • Сообщений: 1975
  • Похвалили: 295 раз(а)
  • Откуда: Владимир
    • Форум vvm
Re: Небольшая разминка для тяпницы.
« Ответ #841 : 02/04/2015 00:37:45 »
Касса - азимут эпсон. Типа Штрих 950. Применяется в оплате платежей. С подкладным документом. 3 мыгра еррором - ошибка позиционирования печатающей башки. Всё поменяно. Башка туда сюда дергается и эти 3 мырга. В чем причина. Мехи мне подсказали сегодня - а мы башкой бились об стену неделю ....
 

Оффлайн kolobok

  • Наш человек
  • Постоялец
  • ***
  • Сообщений: 107
  • Похвалили: 14 раз(а)
Re: Небольшая разминка для тяпницы.
« Ответ #842 : 02/04/2015 01:03:52 »
картридж
Если ничего не получается прочти наконец инструкцию.
 

Оффлайн Bit

  • Администратор
  • Эксперт
  • *******
  • Сообщений: 3424
  • Похвалили: 888 раз(а)
Re: Небольшая разминка для тяпницы.
« Ответ #843 : 02/04/2015 09:53:16 »
картридж
Я вот не пойму, зачем у привода картриджа одна из двух одинаковых шестерен сильно зажата?
 

Оффлайн Славик

  • (4217)33-15-40
  • Наш человек
  • Ветеран
  • ***
  • Сообщений: 934
  • Похвалили: 127 раз(а)
  • Он умер
  • Откуда: г.Комсомольск-на-Амуре
Re: Небольшая разминка для тяпницы.
« Ответ #844 : 02/04/2015 13:47:30 »
Для надёжного переключения привода.
 

Оффлайн vvm

  • Наш человек
  • Эксперт
  • ***
  • Сообщений: 1975
  • Похвалили: 295 раз(а)
  • Откуда: Владимир
    • Форум vvm
Re: Небольшая разминка для тяпницы.
« Ответ #845 : 02/04/2015 19:31:24 »
Как исправный Штрих-ФР-К загнать в состояние, когда горят зеленый и красный светодиоды ? ))


Прошивка от 25.05.2007, скорость 115200. Если установить скорость поменьше - светодиод начинает мигать. При остановке теста красный светодиод гаснет.
« Последнее редактирование: 02/04/2015 21:12:00 от vvm »
 

Оффлайн vvm

  • Наш человек
  • Эксперт
  • ***
  • Сообщений: 1975
  • Похвалили: 295 раз(а)
  • Откуда: Владимир
    • Форум vvm
Re: Небольшая разминка для тяпницы.
« Ответ #846 : 02/04/2015 22:07:27 »
Касса - азимут эпсон. Типа Штрих 950. Применяется в оплате платежей. С подкладным документом. 3 мыгра еррором - ошибка позиционирования печатающей башки. Всё поменяно. Башка туда сюда дергается и эти 3 мырга. В чем причина. Мехи мне подсказали сегодня - а мы башкой бились об стену неделю ....

Мех подсказал - а ты ЭКЛЗ отключи. Отключил - чудо техники бодро отпечатало чек ошибки. Потом подключаю ЭКЛЗ - и заработал агрегат.
 

Оффлайн zax

  • Модератор раздела
  • Эксперт
  • ****
  • Сообщений: 2441
  • Похвалили: 516 раз(а)
Re: Небольшая разминка для тяпницы.
« Ответ #847 : 03/04/2015 14:43:13 »
Пора размяться чуток....вчера был случай с PaySTS-2000K(2010г.) не шибко сложный ,но с точки зрения практики познавательный...... а дело было так.....вчера с утра ездил по своим денежным делам к клиентам,а когда приехал в контору,то меня уже ждал механик с приятной новостью,решил провести активизацию ФРа с поделкой (ЭКЛЗ РС).... активизация прошла и на этом всё,дальше ни в какой режим не пускает. Посмотрел....решил поменять ПО,дело житейское ,меха послал в магазин.....поменял и решил после того как ввиду КЗ махну стакан,зашёл в утилиту и вышла картина Репина приплыли.... и что делать???
 

Оффлайн MOTOR

  • Резидент
  • Эксперт
  • ****
  • Сообщений: 3603
  • Похвалили: 788 раз(а)
Re: Небольшая разминка для тяпницы.
« Ответ #848 : 03/04/2015 14:51:44 »
А, глянул скан - там же есть КЗ.
Выход  и из теста драйвера заколотить КЗ
 

Оффлайн bakk

  • Наш человек
  • Ветеран
  • ***
  • Сообщений: 937
  • Похвалили: 28 раз(а)
  • Откуда: Ижевск Удмуртия
Re: Небольшая разминка для тяпницы.
« Ответ #849 : 03/04/2015 15:44:48 »
Атол никогда не предоставлял возможность ввести КЗ №5. Вводим в драйвере в прогр. 10таблица 5ряд 1поле, или ПэйСетинге последней версии (версия 2.5).
 

Оффлайн zax

  • Модератор раздела
  • Эксперт
  • ****
  • Сообщений: 2441
  • Похвалили: 516 раз(а)
Re: Небольшая разминка для тяпницы.
« Ответ #850 : 03/04/2015 16:40:34 »
А, глянул скан - там же есть КЗ.
Выход  и из теста драйвера заколотить КЗ
Всё верно КЗ есть .....  только для того чтобы ввести КЗ через общий драйвер надо знать таблицу ,ряд и поле ..... а это мне как то ни к чему ,если всё держать в голове (записи по ККТ не веду), то будет не голова ,а дом Советов.... и наступит разжижение мозгов......всегда,в этих случаях, пользуюсь утилитой НИ.... и все же как ввести КЗ через утилиту,если во вкладке ФРа можно ввести только восмиразрядный код????
 

Оффлайн KrasCEP

  • Резидент
  • Эксперт
  • ****
  • Сообщений: 2125
  • Похвалили: 479 раз(а)
  • та ко ва се ля ви
  • Откуда: Урал
Re: Небольшая разминка для тяпницы.
« Ответ #851 : 03/04/2015 17:02:27 »
Из "Руководства программиста":
/Код защиты ККМ. Последовательность цифр (для ККМ Триум-Ф – 8 разрядов, для остальных ККМ – 16 разрядов)/
может модель была не правильно выбрана?
« Последнее редактирование: 03/04/2015 17:28:40 от KrasCEP »
 

Оффлайн zax

  • Модератор раздела
  • Эксперт
  • ****
  • Сообщений: 2441
  • Похвалили: 516 раз(а)
Re: Небольшая разминка для тяпницы.
« Ответ #852 : 03/04/2015 17:43:14 »
Из "Руководства программиста":
/Код защиты ККМ. Последовательность цифр (для ККМ Триум-Ф – 8 разрядов, для остальных ККМ – 16 разрядов)/
может модель была не правильно выбрана?

Когда вхожу в утилиту ,то через настройки проверяю связь....если выбрал не ту модель,то об этом утилита скажет,так что здесь промахнуться невозможно.
 

Оффлайн zax

  • Модератор раздела
  • Эксперт
  • ****
  • Сообщений: 2441
  • Похвалили: 516 раз(а)
Re: Небольшая разминка для тяпницы.
« Ответ #853 : 03/04/2015 19:10:04 »
Если случится такая ситуация,то  в настройках  выбираем Феликс РК .... утилита ругается ,но на это не обращаем внимание.... идем далее и упираемся во вкладку с  16ти разрядным кодом,вводим КЗ и ФР его принимает....
 

Оффлайн KrasCEP

  • Резидент
  • Эксперт
  • ****
  • Сообщений: 2125
  • Похвалили: 479 раз(а)
  • та ко ва се ля ви
  • Откуда: Урал
Re: Небольшая разминка для тяпницы.
« Ответ #854 : 06/04/2015 18:42:31 »
вообще никогда в жизни не пользовался утилитами НИ (я же не инспектор ;D ), только тест драйвера рулез:
скрин
« Последнее редактирование: 06/04/2015 21:17:30 от Master X »
 

Оффлайн vvm

  • Наш человек
  • Эксперт
  • ***
  • Сообщений: 1975
  • Похвалили: 295 раз(а)
  • Откуда: Владимир
    • Форум vvm
Re: Небольшая разминка для тяпницы.
« Ответ #855 : 08/04/2015 23:17:48 »
Лихо меня сегодня мех затроллил. В штрих-950К есть соленоид, которые переключает движение вала протяжки контрольной ленты / движение подкладного документа. Дефект - этот соленоид иногда стал нечетко срабатывать, В результате заместо протяжки подкладного документа двигалась контрольная лента, да еще в обратную сторону. Я поменял материнскую плату, шестерни, которые там задействованы и сам соленоид. копался часа 2. Потом подходит коллега и говорит - да что ты мучаешься - надо просто вынуть шток из соленоида и прочистить внутреннюю поверхность соленоида. Хотя при этом шток на "грязном" соленоиде отлично ходит без заеданий. В итоге с новым соленоидом, который до кучи оказался б/у, но прочищенным - всё заработало.
 

Оффлайн ewgen

  • Наш человек
  • Эксперт
  • ***
  • Сообщений: 3516
  • Похвалили: 901 раз(а)
  • Он умер
  • Откуда: Планета "The Мля"
Re: Небольшая разминка для тяпницы.
« Ответ #856 : 09/04/2015 00:39:29 »
vvm Так ты же новый соленоид уже поставил- почему трабла осталась?
Вообще механика 950го Эпсона- то тема не для пятницы ). Вот тебе привозят аппарат с запиской "Рвет ПД справа!", ты его 2 дня мучаешь разными форматами ПД- а все в порядке. Отдаешь- через неделю возвращают с той же запиской. Оказывается, он рвет только те квитанции, что на более плотной бумаге. Ты суешь туда журнальные обложки- всё ок. Ну вот в чем проблема? Мы пока просто местами поменяли, у другого кассира вроде жалоб нет....
 

Оффлайн vvm

  • Наш человек
  • Эксперт
  • ***
  • Сообщений: 1975
  • Похвалили: 295 раз(а)
  • Откуда: Владимир
    • Форум vvm
Re: Небольшая разминка для тяпницы.
« Ответ #857 : 09/04/2015 00:52:49 »
Я же ответил в конце поста - всё заработало. Более опытные коллеги сегодня подсказали - что такая же проблема была и на Штрих-комбо, и на Азимут-Эпснон.
Короче, как я понял - этот соленоид любит ласку, чистоту и смазку ...
 

Оффлайн Славик

  • (4217)33-15-40
  • Наш человек
  • Ветеран
  • ***
  • Сообщений: 934
  • Похвалили: 127 раз(а)
  • Он умер
  • Откуда: г.Комсомольск-на-Амуре
Re: Небольшая разминка для тяпницы.
« Ответ #858 : 09/04/2015 06:53:18 »
Ой-ёй-ёй! Только не смазку!
 

Оффлайн Славик

  • (4217)33-15-40
  • Наш человек
  • Ветеран
  • ***
  • Сообщений: 934
  • Похвалили: 127 раз(а)
  • Он умер
  • Откуда: г.Комсомольск-на-Амуре
Re: Небольшая разминка для тяпницы.
« Ответ #859 : 17/04/2015 13:42:25 »
Все извилины заплёл, что за карточка?
Кто в курсе - подскажите, может что нужное.
 

Оффлайн CrazyPOVT

  • Наш человек
  • Старожил
  • ***
  • Сообщений: 265
  • Похвалили: 45 раз(а)
  • Откуда: Башкортостан
Re: Небольшая разминка для тяпницы.
« Ответ #860 : 17/04/2015 15:10:44 »
Неужта перфокарта с прошивкой амээски?
 

Оффлайн Славик

  • (4217)33-15-40
  • Наш человек
  • Ветеран
  • ***
  • Сообщений: 934
  • Похвалили: 127 раз(а)
  • Он умер
  • Откуда: г.Комсомольск-на-Амуре
Re: Небольшая разминка для тяпницы.
« Ответ #861 : 18/04/2015 06:35:30 »
Вобще-то на ЖК-мониторе стареньком скотчем прилеплена была. Прям интересно, чёй-та там зашифровано.
 

Оффлайн Bit

  • Администратор
  • Эксперт
  • *******
  • Сообщений: 3424
  • Похвалили: 888 раз(а)
Re: Небольшая разминка для тяпницы.
« Ответ #862 : 06/05/2015 14:43:00 »
Лыжи не едут.
 

Оффлайн thommy

  • Свой в доску
  • Сообщений: 88
  • Похвалили: 17 раз(а)
Re: Небольшая разминка для тяпницы.
« Ответ #863 : 06/05/2015 15:11:22 »
В параметрах поиска найти и нажать "К текущему", не?
 

Оффлайн Master X

  • https://t.me/MasterX483
  • Наш человек
  • Новичок
  • ***
  • Сообщений: 14
  • Похвалили: 1654 раз(а)
  • Для Спасибок:9+2!0№2;9!6%6(9)5_0
  • Откуда: г.Горький
    • АРХИВ_Профсоюза
Re: Небольшая разминка для тяпницы.
« Ответ #864 : 06/05/2015 18:34:33 »
Жми "ОК" и программируй дальше  :)

Ну и 1046 уже не в моде.
 
Linux is working. The future is open(Ц)IBM
Если найдёте ошибки в форуме или чего нужно исправить пишите мне в личку
 

Оффлайн drfaust

  • Резидент
  • Эксперт
  • ****
  • Сообщений: 5277
  • Похвалили: 575 раз(а)
  • Я не Шариков, просто судьба располосовала мой лоб.
  • Откуда: РФ, Лангепас, MSK+2 (UTC+5)
    • faust.dlinkddns.com
Re: Небольшая разминка для тяпницы.
« Ответ #865 : 06/05/2015 20:17:03 »
Вчера прикол случился - ТДО 8.6.непомню потерял наш FPrint-03, тот у которого раньше USB->COM сгорел. Я испугался, что он и PCI-E-плату спалил, однако, драйвер не хотел запускаться, даже ручная перерегистрация OCX-либ не помогла. Переустановка старого, скачивание нового и его установка не помогли - ругался на невозможность запуска к-то сервера (из OCX).
Кароче плюнул, поставил 6й ТДО и ЧПМка заработала.


Оказывается перед этим кто-то зарядил полную проверку авастом, видимо аваст что-то и нашаманил, возможно к-либо сетевую OCX-либу в "бан" отправил, потому и переустановка не помогала  >:(


Не кассами одними жив ЦТО ;-)
 

Оффлайн vvm

  • Наш человек
  • Эксперт
  • ***
  • Сообщений: 1975
  • Похвалили: 295 раз(а)
  • Откуда: Владимир
    • Форум vvm
Re: Небольшая разминка для тяпницы.
« Ответ #866 : 08/05/2015 20:17:58 »
Что делает поп ?
 

Оффлайн Two_byte

  • Резидент
  • Эксперт
  • ****
  • Сообщений: 1773
  • Похвалили: 300 раз(а)
  • Не впихуйте невпихуемое!
  • Откуда: Ногинск
Re: Небольшая разминка для тяпницы.
« Ответ #867 : 08/05/2015 20:23:48 »
Я так думаю, что пытается определить пол сией колесницы. Только не с того конца заходит - сзади под днищем пощупал, и вердикт, как у чукчи однозначен - самец, однако!
Или пытается диавола изгнать, путем введения кода иммобилайзера из мануала.
 

Оффлайн pletenb

  • Наш человек
  • Ветеран
  • ***
  • Сообщений: 913
  • Похвалили: 153 раз(а)
  • Откуда: Новый Уренгой
Re: Небольшая разминка для тяпницы.
« Ответ #868 : 08/05/2015 23:12:27 »
За бабки, он што хошь сделает.
 

Оффлайн tridentxp

  • Резидент
  • Эксперт
  • ****
  • Сообщений: 7506
  • Похвалили: 1110 раз(а)
  • Он умер.
  • Откуда: ARMвиль
Re: Небольшая разминка для тяпницы.
« Ответ #869 : 08/05/2015 23:44:09 »
Что делает поп ?
запомнил картинку. на исповеди спрошу. можно на кураевском сайте вопрос задать.
то, что дарвин и вы называете эволюцией, является лишь умыслом Отца.
 

Оффлайн ewgen

  • Наш человек
  • Эксперт
  • ***
  • Сообщений: 3516
  • Похвалили: 901 раз(а)
  • Он умер
  • Откуда: Планета "The Мля"
Re: Небольшая разминка для тяпницы.
« Ответ #870 : 09/05/2015 00:05:16 »
Что делает поп ?
Так это ж иллюстрация к известной песне https://youtu.be/iqXYQZt2Vas
 

Оффлайн Юр

  • Резидент
  • Эксперт
  • ****
  • Сообщений: 2067
  • Похвалили: 103 раз(а)
Re: Небольшая разминка для тяпницы.
« Ответ #871 : 09/05/2015 00:35:34 »
Концовка у песенки понравилась.


Что делает поп ?
Это не он тут?

красава


Че-то корректируется почему-то ссылка на ютуб. Вот здесь есть
http://atheo-club.ru/newphpBB/viewtopic.php?f=7&t=5076
Есть только  миг
 

Оффлайн svv

  • Резидент
  • Эксперт
  • ****
  • Сообщений: 3535
  • Похвалили: 1306 раз(а)
Re: Небольшая разминка для тяпницы.
« Ответ #872 : 15/05/2015 11:57:01 »
имеется dors1200 лампы УФ дольше месяца не живут, вот приехал опять - пару минут светит УФ, потом УФ вырубается и мигает лампочка. решил добить сабаку, т.к. рядом в ремонте был такой-же только с дохлой камерой. Перекинул платы питания (на ней же инвертор). Ничего не поменялось так же на первом через пару минут выключается УФ. второй пашет без проблемм. Меняю лампы местами - работают оба  :o . Погонял с час, отдал клиенту. Седня опять привезли в ремонт - то же самое две минуты светит и выключается. С питанием вроде все ок, кондюки на инверторе в норме 200Омный резюк тоже. Попа штоль вызвать?
 Щас  Master X налетит ;D
 

Оффлайн Master X

  • https://t.me/MasterX483
  • Наш человек
  • Новичок
  • ***
  • Сообщений: 14
  • Похвалили: 1654 раз(а)
  • Для Спасибок:9+2!0№2;9!6%6(9)5_0
  • Откуда: г.Горький
    • АРХИВ_Профсоюза
Re: Небольшая разминка для тяпницы.
« Ответ #873 : 15/05/2015 14:35:33 »
....Попа штоль вызвать?
 Щас  Master X налетит ;D

Про религии можно нашутить на реальный срок.

Мануал на dors1200
Linux is working. The future is open(Ц)IBM
Если найдёте ошибки в форуме или чего нужно исправить пишите мне в личку
 

Оффлайн svv

  • Резидент
  • Эксперт
  • ****
  • Сообщений: 3535
  • Похвалили: 1306 раз(а)
Re: Небольшая разминка для тяпницы.
« Ответ #874 : 15/05/2015 15:24:11 »
отключил в инверторе защитный триггер, коротнув R3. уже пару часов светит.
 

Оффлайн zax

  • Модератор раздела
  • Эксперт
  • ****
  • Сообщений: 2441
  • Похвалили: 516 раз(а)
Re: Небольшая разминка для тяпницы.
« Ответ #875 : 29/05/2015 16:08:15 »
Что то тема хереет.......решил оживить... намедни механик регистрировал Штрих М ФР К и получилось так, запись  фискализации и активизации в ФП  прошла нормально,а ФР ругается на ошибку ЭКЛЗ не верная дата или время ,в тесте Безанта ЭКЛЗ не активизирована..... первый вопрос простой,что не хватает ФРу для полного счастья,а второй вопрос пойдет после ответа на первый.
 

Оффлайн KrasCEP

  • Резидент
  • Эксперт
  • ****
  • Сообщений: 2125
  • Похвалили: 479 раз(а)
  • та ко ва се ля ви
  • Откуда: Урал
Re: Небольшая разминка для тяпницы.
« Ответ #876 : 29/05/2015 16:18:01 »
Тыкс, ну с первым вопросом думаю действительно просто - активизируем ЭКЛЗ (например с помощью "Армакс") с вводом всех нужных реквизитов и Штрих становится "полностью счастлив". Да?
Второй то вопрос в чем?
 

Оффлайн zival

  • Резидент
  • Эксперт
  • ****
  • Сообщений: 1124
  • Похвалили: 287 раз(а)
  • Откуда: Челябинск
Re: Небольшая разминка для тяпницы.
« Ответ #877 : 29/05/2015 16:46:06 »
Зашел на вполне приличный сайт мельком увидел вот такую рекламу. Что курил производитель рекламы неясно, но что то явно сильнодействующее.
Кто сможет отгадать, что зачеркнуто, тот может смело делать рекламу, так как обладает суперкреативным мышлением.
 

Оффлайн MOTOR

  • Резидент
  • Эксперт
  • ****
  • Сообщений: 3603
  • Похвалили: 788 раз(а)
Re: Небольшая разминка для тяпницы.
« Ответ #878 : 29/05/2015 19:35:45 »
"Жир рассасывается"
Но креативность ума заключается лишь в клике правой кнопкой мыши по картинке и выбор из контекстного меню хрома "найти это изображение в Googe
 

Оффлайн zax

  • Модератор раздела
  • Эксперт
  • ****
  • Сообщений: 2441
  • Похвалили: 516 раз(а)
Re: Небольшая разминка для тяпницы.
« Ответ #879 : 29/05/2015 20:13:30 »
Тыкс, ну с первым вопросом думаю действительно просто - активизируем ЭКЛЗ (например с помощью "Армакс") с вводом всех нужных реквизитов и Штрих становится "полностью счастлив". Да?
Второй то вопрос в чем?
Можно и в ДК...... но активизация ЭКЛЗ(она может и пройдет)вне ФРа проблему не решит,ФР с активизированной ЭКЛЗ работать не будет..... так что рано переходить ко второму вопросу..... в чём причина ошибки ЭКЛЗ не верная дата или время????


 

Оффлайн alximik66rus

  • Наш человек
  • Постоялец
  • ***
  • Сообщений: 172
  • Похвалили: 14 раз(а)
  • Откуда: EKB
Re: Небольшая разминка для тяпницы.
« Ответ #880 : 29/05/2015 22:25:37 »
в чём причина ошибки ЭКЛЗ не верная дата или время? ???
Еслиб все было просто то яб сказал что прошивка от АСПД, но раз вопрос здесь, то проц ФП или сама ФП от "Ф" апарата
 

Оффлайн Slava

  • Резидент
  • Эксперт
  • ****
  • Сообщений: 4750
  • Похвалили: 1498 раз(а)
Re: Небольшая разминка для тяпницы.
« Ответ #881 : 29/05/2015 22:41:52 »
Что то тема хереет.......решил оживить... намедни механик регистрировал Штрих М ФР К и получилось так, запись  фискализации и активизации в ФП  прошла нормально,а ФР ругается на ошибку ЭКЛЗ не верная дата или время ,в тесте Безанта ЭКЛЗ не активизирована..... первый вопрос простой,что не хватает ФРу для полного счастья,а второй вопрос пойдет после ответа на первый.


Не ту ФП воткнул - вернее так не под ту прошиву СП .
Или проблема в самой ФП .
Вообще инфы мало - М-ФР-К он и под 2000 и под 4000 .
 

Оффлайн zax

  • Модератор раздела
  • Эксперт
  • ****
  • Сообщений: 2441
  • Похвалили: 516 раз(а)
Re: Небольшая разминка для тяпницы.
« Ответ #882 : 30/05/2015 12:47:34 »
ФРу для полного счастья не хватило добрых рук механика..... они оказались шаловливые....при регистрации ФРа была не проверена  дата( житейский случай) ,а ФРу по барабану с какой датой записать в ФП реквизиты фискализации и активизации(прошла дата 02.01.01)...... а вот ЭКЛЗ это безобразие не понравилось и она не захотела с этой датой активизироваться......от сюда вытекает следующий вопрос уже для спецов..... какую дату держит в уме не активизированная ЭКЛЗ ,от которой можно успешно провести активизацию????
 

Оффлайн GeorgSerg

  • Резидент
  • Эксперт
  • ****
  • Сообщений: 8770
  • Похвалили: 2332 раз(а)
Re: Небольшая разминка для тяпницы.
« Ответ #883 : 30/05/2015 14:35:27 »
Дата по спецификации - три FF-байта, ограничений не прописано.
Проблема была в старых Безант-версиях ПО -переход с 2009 года
на 2010 , записывалось 09dec => 09hex, 10dec=>10hex=> но
считывалось уже как 16dec, т.е после 2009 года вылетал 2016 год.
Похоже, что из-за этого в новых прошивах ввели ограничения.
"Подавая руку помощи, не забудь увернуться от пинка благодарности." (с)
 

Оффлайн Master X

  • https://t.me/MasterX483
  • Наш человек
  • Новичок
  • ***
  • Сообщений: 14
  • Похвалили: 1654 раз(а)
  • Для Спасибок:9+2!0№2;9!6%6(9)5_0
  • Откуда: г.Горький
    • АРХИВ_Профсоюза
Re: Небольшая разминка для тяпницы.
« Ответ #884 : 30/05/2015 14:39:17 »
..... какую дату держит в уме не активизированная ЭКЛЗ ,от которой можно успешно провести активизацию? ???
Подключить неактивизированную к компу и посмотреть.
ЗЫ: Метод тыка -удовольствие не дешёвое :)
Linux is working. The future is open(Ц)IBM
Если найдёте ошибки в форуме или чего нужно исправить пишите мне в личку
 

Оффлайн KrasCEP

  • Резидент
  • Эксперт
  • ****
  • Сообщений: 2125
  • Похвалили: 479 раз(а)
  • та ко ва се ля ви
  • Откуда: Урал
Re: Небольшая разминка для тяпницы.
« Ответ #885 : 31/05/2015 01:26:04 »
... запись  фискализации и активизации в ФП  прошла нормально...


так звучало в задачке. По вашему выходит запись в ФП фискализации и активизации не верной датой это нормально?
 

Оффлайн zax

  • Модератор раздела
  • Эксперт
  • ****
  • Сообщений: 2441
  • Похвалили: 516 раз(а)
Re: Небольшая разминка для тяпницы.
« Ответ #886 : 31/05/2015 10:56:46 »
... запись  фискализации и активизации в ФП  прошла нормально...


так звучало в задачке. По вашему выходит запись в ФП фискализации и активизации не верной датой это нормально?
Если в ФП записывается то ,что введено в утилите при проведении фискализации , то я считаю это нормальным явлением.......  второй вопрос озвучен ....и всё же от какой даты отталкивается ЭКЛЗ при проведении активизации????
 

Оффлайн Bit

  • Администратор
  • Эксперт
  • *******
  • Сообщений: 3424
  • Похвалили: 888 раз(а)
Re: Небольшая разминка для тяпницы.
« Ответ #887 : 01/06/2015 10:25:40 »
Что хочу, то и печатаю. Но учитываю всё!
 

Оффлайн SkaT

  • Наш человек
  • Эксперт
  • ***
  • Сообщений: 5302
  • Похвалили: 913 раз(а)
Re: Небольшая разминка для тяпницы.
« Ответ #888 : 01/06/2015 13:46:53 »
Что хочу, то и печатаю. Но учитываю всё!
В клизме ширина ленты указана - "узкая", на всю ширину чека печатает сама ККМ свою инфу ...
 

Оффлайн Bit

  • Администратор
  • Эксперт
  • *******
  • Сообщений: 3424
  • Похвалили: 888 раз(а)
Re: Небольшая разминка для тяпницы.
« Ответ #889 : 01/06/2015 15:40:04 »
...
На первом чеке нет № и значения КПК. В контрольке с эклз печатается.
 

Оффлайн Рязанский

  • Резидент
  • Эксперт
  • ****
  • Сообщений: 1044
  • Похвалили: 341 раз(а)
  • Димка
  • Откуда: Рязань
    • Сайт поддержки ДК
Re: Небольшая разминка для тяпницы.
« Ответ #890 : 02/06/2015 15:31:01 »
На первом чеке нет № и значения КПК. В контрольке с эклз печатается.
Стандартный глюк элвеса.
Теряет одну строку с номером КПК.
Для исправления, достаточно после активизации/фискализации выключить его и включить заново.
А у нас в Рязани  - грибы с глазами,
Их едят, а они глядят.
Рязанский
 

Оффлайн MOTOR

  • Резидент
  • Эксперт
  • ****
  • Сообщений: 3603
  • Похвалили: 788 раз(а)
Re: Небольшая разминка для тяпницы.
« Ответ #891 : 26/06/2015 19:26:45 »
Загадочный Меркурий-МСК

 

Оффлайн cesav2007

  • Наш человек
  • Ветеран
  • ***
  • Сообщений: 939
  • Похвалили: 49 раз(а)
  • Откуда: СКФО
Re: Небольшая разминка для тяпницы.
« Ответ #892 : 26/06/2015 19:50:40 »
Видимо какую-то смену битой посчитал.
Профессиональный монтаж СКС. Цены низкие!
 

Оффлайн MOTOR

  • Резидент
  • Эксперт
  • ****
  • Сообщений: 3603
  • Похвалили: 788 раз(а)
Re: Небольшая разминка для тяпницы.
« Ответ #893 : 26/06/2015 20:02:13 »
Один раз посчитал, второй раз не посчитал....
С третьего раза сумма фискального отчета совпала с суммой из ЭКЛЗ
 

Оффлайн Slava

  • Резидент
  • Эксперт
  • ****
  • Сообщений: 4750
  • Похвалили: 1498 раз(а)
Re: Небольшая разминка для тяпницы.
« Ответ #894 : 12/07/2015 16:22:57 »

 Это старый прикол МСК . Разный НИ вытаскивает при разной частоте
шины айтуси ФП . Обычно правильный при 5 и 95 . При других не проверял .
зы . Со старыми прямоугольными ФП
 

Оффлайн SkaT

  • Наш человек
  • Эксперт
  • ***
  • Сообщений: 5302
  • Похвалили: 913 раз(а)
Re: Небольшая разминка для тяпницы.
« Ответ #895 : 12/07/2015 23:56:33 »
Знаю как не любят смоленские Микрушки, но всё-же...
Ковырял Микро104К. Симптом, при включении Е06. Клавиатура работает, на экране отображение адекватное. На чековой ленте совсем ничего не печатает. Другой принтер подключал, ошибка остается, и этот принтер проверял на другой Микре - принтер работает.
Смотрел осцилоскопом, импульсы с оптопары доходят до процессора.
Если перемычкой 1-2 отключить принтер и включить Микру, она начинает без остановки гнать чековую ленту (экран пустой, на клаву не реагирует).
Технологический сброс и обнуление ОЗУ не помогло.
Варианты "апстол" - не принимаются, т.к. причину нашел и устранил...
 

Оффлайн svv

  • Резидент
  • Эксперт
  • ****
  • Сообщений: 3535
  • Похвалили: 1306 раз(а)
Re: Небольшая разминка для тяпницы.
« Ответ #896 : 13/07/2015 12:20:25 »
че нибудь с цепью включения движка или с регистром, который всем этим управляет
 

Оффлайн SkaT

  • Наш человек
  • Эксперт
  • ***
  • Сообщений: 5302
  • Похвалили: 913 раз(а)
Re: Небольшая разминка для тяпницы.
« Ответ #897 : 13/07/2015 12:33:58 »
че нибудь с цепью включения движка или с регистром, который всем этим управляет
Холодно.
 

Оффлайн KrasCEP

  • Резидент
  • Эксперт
  • ****
  • Сообщений: 2125
  • Похвалили: 479 раз(а)
  • та ко ва се ля ви
  • Откуда: Урал
Re: Небольшая разминка для тяпницы.
« Ответ #898 : 13/07/2015 12:37:56 »
Сигнал от датчика положения ТПГ (поднята-опущена) не приходил на проц?
 

Оффлайн SkaT

  • Наш человек
  • Эксперт
  • ***
  • Сообщений: 5302
  • Похвалили: 913 раз(а)
Re: Небольшая разминка для тяпницы.
« Ответ #899 : 13/07/2015 12:46:52 »
Сигнал от датчика положения ТПГ (поднята-опущена) не приходил на проц?
Если голова опущена, на формирование Е06 это не влияет, а если поднята, то до вращения движка дело вообще не доходит.
Тут лену гнал, но чистую.
Так-что пока мимо.
 

 

Sitemap 1 2 3 4 5 6 7 8 9 10 11 12 13 14 15 16 17 18 19 20 21 22 23